二四六香港管嫁婆期,7777788888新跑马,狗迷网-百度百科,2025年新澳天天免费正版,二四六天天彩246免费资料

欢迎访问启睿钻机官网!
联系我们网站地图 (xml/html)
关于启睿

启睿资讯

information

订购热线:

400-688-9551

推荐产品

Recommend

启睿资讯

网站首页 > 启睿资讯

煤矿井下履带式钻机 行业新宠了解下
ZQLC气动履带式钻机最近被咨询关注的很多,一时间有成为煤矿井下履带式钻机新宠机型的赶脚,ZQLC气动履带式钻机是一种以压缩空气…
煤矿井下探放水钻机
为了减少灾害,安全生产,现在煤矿开采必须坚持“有疑必探,先探后掘”的探放水原则。所用设备也有明确规定,根据《煤矿防治水规…
矿用探水钻机的工作原理
矿用探水钻机根据动力来源可以分为两大类:气动探水钻机和液压探水钻机,动力不同工作原理也有差异。
ZQLC气动履带式钻机 河北启睿机械设备制造有公司
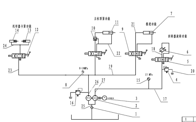
ZQLC气动履带式钻机是将气动架柱式钻机固定到履带行走部分上,气源做动力,由气动马达驱动液压泵,为整机液压系统提供动力。
石家庄气动架柱式钻机 踏实做钻机的厂家不要错过
气动架柱式钻机因为轻巧简便快成为煤矿井下必备钻探设备了,尤其煤矿资料丰富矿井数量众多的山西、内蒙古地区。石家庄气动架柱式…
再定架柱式探水钻机,双击666
去年用启睿架柱式探水钻机的朋友,又采购了3台,去年用的液压架柱式探水钻机,今年订了液压的和气动的。成为回头客,就是对启睿…
气动架柱式钻机zqjc_920多少钱
ZQJC-920/11.0S型气动架柱式钻机是动力头式钻机,主要使用高效螺旋钻杆、地质钻杆和硬质合金钻头、金刚石钻头回转钻进,以压…
煤矿探水钻机怎么分类
随着煤矿机械设备的技术提升和行业市场化发展,煤矿钻探设备细分,设备专业化程度变高,市场上出现了很多煤矿探水钻机新机型,诸…
1000气动架柱钻机,效率操作【都挺好】
山西晋中外建队长又订了台1000气动架柱式钻机,不仅自己用,还推荐给朋友用。这个矿2018年5月第一次使用气动架柱式钻机,之后接…
架柱钻机 煤矿井下省力的探水钻机型号
架柱钻机是煤矿井下省力的探水钻机型号,机型简洁紧凑,重量轻,是现在很多煤矿打探放水孔、抽放瓦斯孔、卸压孔等必备设备。当然…
咨询热线:400-688-9551
在线咨询
网站地图(xml/html)
电话:400-688-9551 邮 箱:3517447411@qq.com 地址:石家庄市栾城区栾城镇环城南路6号凯隆达高科农业创业园C2-1
版权所有:河北启睿机械设备制造有限公司 ICP备案号:冀ICP备16021215号 
扫描二维码
主站蜘蛛池模板: 田径公开赛在哪里报名| 两组6码必中一组方法| 横穿西伯利亚| 澳门精准三肖三码三期300期| 777888888精准资料大全免费| 管家婆一肖一码100中奖网站| 澳门金牛版正版精准免费资料大全2021 | 马经论坛(49图库)| 运输 物流运输| 疯狂72小时| 不要钱的电影网| 澳门开彩开奖结果2024澳门开奖记录7| 新澳天天开奖资料大全最新版本下载| 2024澳门特马今晚开奖图纸| 黄大仙论坛精选四肖软件优势 | 舞出我人生5完整免费| 8686电影网| 澳门最全的资料网| 正版澳门管家婆图库| 韩国电影小姐| 香港管家婆正版资料图一95期| 澳门四肖八码期期准预测| 全网最精准澳彩资料大全| 新澳六开彩历史,开奖记录| 4777777澳门最快开奖结果| 668影视网科幻电影播放| 七里香社区在线看| 44001香港马开奖| 2023澳门六免费资料查询 | 澳门一肖一码一持一中| 2024澳门正版资料免费大全精准kj77| 澳门平特一肖免费公开| 新澳2024管家婆资料第87期| 新澳门历史开奖记录查询今天| 电影免费在线观看星空影院| 金牛女今日最准的运势| 吸血鬼猎人巴菲| 香港期期准资料免费大全| 新澳门我49资料图库| 请问今晚澳门开什么号码| 澳门49码开奖结果开奖澳门|